Skip to product information
1 of 2

VANTAGE | KARTSPORTNA

SKU:

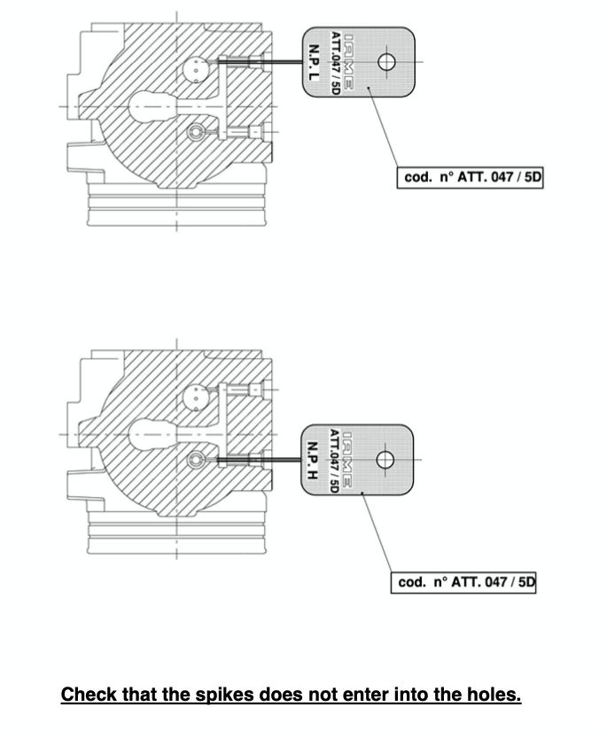
IAME KA100 "NO GO" CARB GAUGE FOR HOLE DIAMETER

IAME KA100 "NO GO" CARB GAUGE FOR HOLE DIAMETER

Regular price Price: $123.28
Regular price Sale price $123.28
Sale Sold out

SKU:

View full details

Description

IAME PART # ATT-047/5D

Customer Reviews

Be the first to write a review
0%
(0)
0%
(0)
0%
(0)
0%
(0)
0%
(0)

PARTS Customer Support

If you have any questions or need advice, please email us. We answer within 24 hours.

Fast Delivery

If we have it in stock, we normally pack and send all orders within 24 hours.

30 Day Return

We give you 30 days to return uninstalled parts after you received them. This is for certain items, not all.

Our Core Values

Our business is built around you, the customer, you will always be our priority. Our values